Kategorija: SLAVINE
Model: ALTA Compact inox massive
Materijal: INOX
Proizvođač: BLANCO
Zemlja porekla: NEMAČKA
Garancija: 4 godine (2 godine redovna + 2 godine dodatne garancije) garantni uslovi
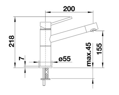
Visina: 218 mm
Pokretna cev slavine: 360°
Keramički dihtung
Fleksibilna priključna creva od 450 mm sa maticom 3/8” za posebno jednostavnu i sugurnu montažu
Za slavinu je potrebno izbušiti otvor fi-35 mm
Napomena: Slavina je namenjena za visok pritisak
SLAVINU SA DVA CREVA (visok pritisak) MOGUĆE JE SPOJITI NA NISKOMONTAŽNI BOJLER POD PRITISKOM PREMA ŠEMI SA SLIKE










